A-A-52471D

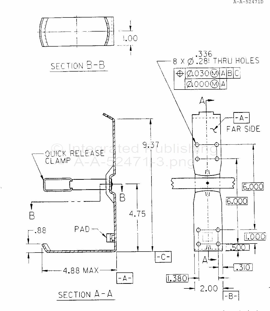
NOTE: Dimensions are in inches. Tolerances are +.03 on 2 place decimals and + .003 on 3 place decimals.
FIGURE 2. Bracket nominal dimensions.
For Parts Inquires call Parts Hangar, Inc (727) 493-0744
© Copyright 2015 Integrated Publishing, Inc.
A Service Disabled Veteran Owned Small Business