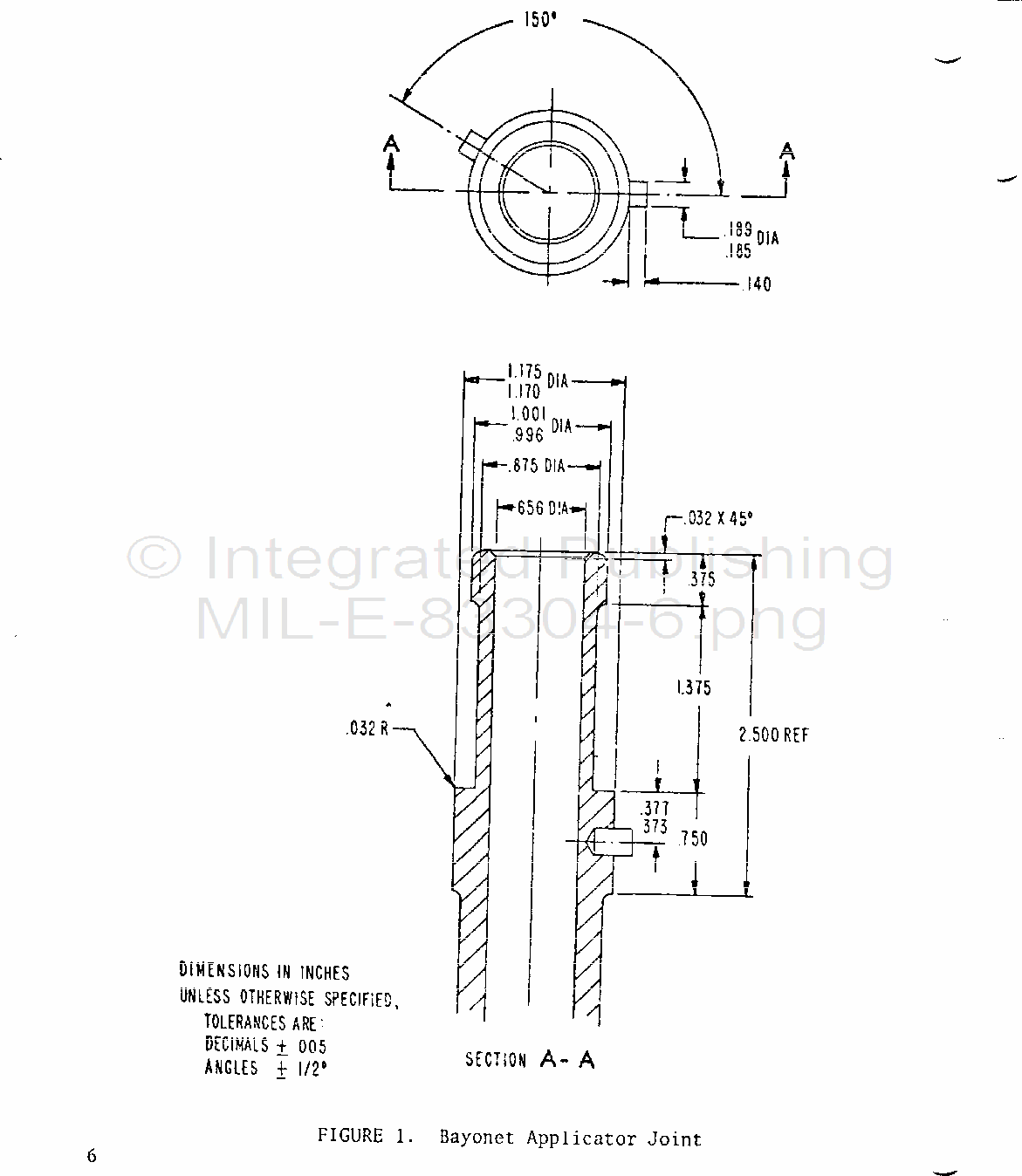
MIL-E-83304 Extinguisher Unit, Fire, Bromochlorodifluoromethane, Feu-4/S32P; 500-Pound Capacity, Truck MountingThis specification covers a 500-pound capacity bromochlorodifluoromethane (Halon 1211) fire extinguisher unit suited for mounting in the body of a pickup truck and designated FEU-4/S32P.